← Emerson Argentina
✓ Certificate active — valid until 2028/01/27
Certificate of Compliance
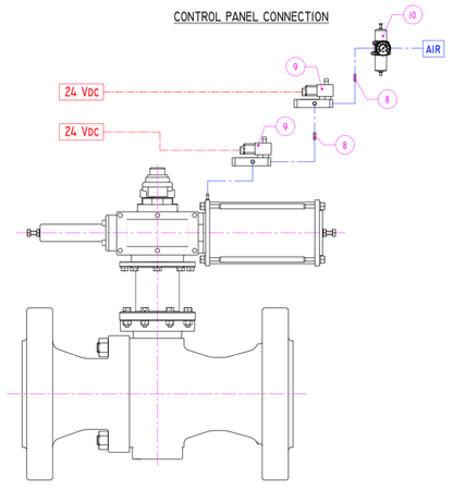
Final Element 3311457-ISV-SL-002
511.553.8
Certificate holder Emerson Argentina
Compliant item Final Element 3311457-ISV-SL-002
Certification type Product, Subsystem
Category Final Element Assembly
Initial certificate 2023/01/27
Current certificate 2023/01/27
Expire date 2028/01/27
Download ↓ Certificate
Verification QR code — 511.553.8
Scan to verify
Risknowlogy — Final Element Assembly certified
Issued and certified by Risknowlogy — independent certification body for functional safety, operating according to IEC 61508 and IEC 61511.
Scope: Risknowlogy certified the Emerson Argentina  Final Element 3311457-ISV-SL-002 according to IEC 61508:2010. The certification included the following:
  1. Safety requirements specification
  2. Hardware requirements
  3. Reliability requirements
The hardware integrity of the panels can achieve up to SIL 2 in HFT=0.

Certify your own product or system

Risknowlogy provides independent functional safety certification for products, subsystems, solutions, and FSM systems — according to IEC 61508 and IEC 61511.

Explore certification → Ask us a question
We use cookies
Cookie preferences
Below you may find information about the purposes for which we and our partners use cookies and process data. You can exercise your preferences for processing, and/or see details on our partners' websites.
Analytical cookies Disable all
Functional cookies
Other cookies
We use cookies to personalize content and ads, to provide social media features and to analyze our traffic. Learn more about our cookie policy.
Accept all Decline all Change preferences
Cookies